文 | 汪進進、鄧杰、李志勇、吳文浩、方丹慧、楊智淵、余先華
字數 | 8556字 | 25分鐘閱讀
1 安全和絕緣的基本概念
直流充電系統中安全和絕緣的相關概念,看似簡單、基礎,但很多充電樁的從業人員還處在懵憧的狀態。 這些基本概念包括:安全、觸電、I類設備、剩余電流斷路器(RCD)、保護接地、絕緣電阻、介電強度、泄露電流、漏電流、接觸電流、保護導體電流、剩余電流等。值得研究。
現將我們整理的內容編輯如下:
安全
電氣產品的安全要求是最基本的要求。EN60950中對安全的定義:“產品的設計和結構必須能夠保證在正常使用和可能的失效條件下, 不會對使用者產生觸電和其它危險, 且不會對周圍環境產生危害,如火災等。”
觸電
觸電造成的人體傷害分為電傷和電擊。電傷是指人體外表局部直接或間接地受到電流的傷害,形式有灼(燒)傷、電烙印、皮膚金屬化等。電擊是指電流通過人體內部時,人體的內部器官(如心臟等)受到的傷害,它是最危險的觸電傷害。
人體作為一個“導電體”,接觸到帶電導體時,如果流過的電流為40-50mA,且維持時間為1s,就會對人體產生電擊傷害。人體電阻模型復雜,我國制定接地設計相關標準和規程時,給出的人體阻值范圍是1000-1500 Ohm。人體能承受的交流峰值不超過42.4V ,直流電壓不超過60V。
觸電分為直接觸電和間接觸電。直接觸電是指人員直接接觸電氣設備的正常帶電導體而造成的觸電。直流充電樁采取的基本絕緣設計可防止這一點。間接觸電是指因電氣設備的內部絕緣故障造成的、正常情況下不帶電的金屬外殼等外露可導電部分帶有危險電壓,一旦人員觸及故障設備的外露導電部分時造成的觸電。直流充電樁是I類設備,在交流側可有效防止間接觸電。
I類設備
I類設備的概念如圖1所示。 I 類設備具有金屬外殼,在基本絕緣失效后,帶危險電壓的導電零部件與建筑物配線中的保護接地導體(PE)相連; 外殼電位因接地而大大降低,同時經保護接地導體構成的接地通路也可使產生的接地故障電流(一般稱為“漏電流”),這時回路上的防護電器(一般是采用“剩余電流斷路器RCD,俗稱漏電空開)檢測出故障電流而及時切斷電源。增加接地措施后,由于接觸電壓的降低,人體通過電流時間的縮短,發生心室纖顫導致電擊死亡的危險大大減少。
圖 1 I類設備的概念
剩余電流斷路器(RCD)
機殼帶電后,機殼和PE之間流過的電流超過了RCD的動作電流,RCD產生動作,斷開交流輸入,從而保證人體安全。
圖2 單相和三相RCD工作原理
圖2為RCD的工作原理。任何一相線和外殼之間“短路”,外殼是連接到PE的,Id的電流就不再為0,漏電保護器的零序電流互感器的鐵芯中就會產生磁通,漏電保護器產生動作,斷開交流輸入,這種是間接觸電保護。如果沒有接地,Id就始終為0,漏電保護器不產生動作。沒有接地保護時,相線和外殼短路,人體觸碰外殼,流過人體的電流可能引起漏電保護器動作,但這種直接觸電保護可能會造成人身安全事故。
保護接地
如上所述,I類設備的安全保護強烈依賴于“保護接地”。保護接地是重要的安全屏障。漏電電流大于安全門限值,則漏電開關就會動作,實現漏電保護。如果外殼未接地,就不存在接地電流,相線電流與N線電流當然也大小相等方向相反,它們的和與正常運行是一致的,漏電開關不動作。這樣一來,在出現外殼與高壓電觸碰時,人觸及外殼,就會發生觸電事故。保護地的重要性:地線為漏電流提供了一條通路,確保了漏電開關能夠動作,確保了不會發生人身觸電事故。
在直流充電樁的相關標準中,和“保護接地”相關的文本描述包括:
1)標準GB/T 18487.1-2015、《電動汽車傳導充電系統第1部分:通用要求》中對保護接地等相關術語定義如下:
2)同時,標準GB/T 18487.1-2015、《電動汽車傳導充電系統第1部分:通用要求》中要求充電樁必須具備保護接地導體的連續性檢測功能
3)在標準GB/T 34657.1-2017,《電動汽車傳導充電互操作性測試規范 第1部分:供電設備》中對保護接地導體連續性丟失測試的方法步驟以及評判標準做了如下規定:
4)在標準 NB/T 33001-2018、《電動汽車非車載傳導式充電機技術條件》中對充電機的接地有如下要求:
5) 在標準GBT 20234.1-2015 、《電動汽車傳導充電用連接裝置 第1部分 通用要求》中對接地措施有如下要求:
絕緣電阻
直流充電系統的核心部件是充電模塊。充電模塊的輸入是交流,輸出是直流,輸入和輸出之間通過變壓器隔離。交流側安全屬于I類設備,依靠基本絕緣、保護接地及RCD來確保安全; 直流側安全通過充電槍頭和槍線的加強絕緣、雙重絕緣,以及充電過程中絕緣檢測來保證。
絕緣電阻是施加于絕緣體上兩個導體之間的直流電壓與流過絕緣體的泄露電流之比。一個絕緣體在施加直流電壓之后,通過的電流隨著時間由大到小變化。開始時含有的電流成分很多,除了泄露電流之外,還有充電電流、極化電流以及凈化電流等等,這些電流都是隨著時間而減小的,最后達到一個穩定的電流,這個穩定的電流,就是表征電介質本征電導的泄露電流。
介電強度
絕緣是相對的,所有絕緣材料都只能在一定的電場強度以下保持其絕緣特性,當電場強度超過一定限度時,絕緣材料便會瞬間失去絕緣特性,使整個設備破壞。介電強度是最基本的絕緣特性參數,是指材料能夠承受而不至遭到破壞的最高電場場強。
介電強度試驗分為兩種類型,即擊穿試驗和耐電壓試驗。擊穿試驗是在一定試驗條件下,升高電壓直到試樣發生擊穿為止,測得擊穿場強或擊穿電壓。耐電壓試驗是在一定試驗條件下,對試樣施加一定電壓,經歷一定時間,若在此時間內試樣不發生擊穿,即認為試樣是合格的。
泄露電流、漏電流、接觸電流、保護導體電流、剩余電流
泄露電流在關于絕緣電阻測量的書籍上有明確表述。漏電流是“打耐壓”測量中常常提到的。兩者是不是一個意思? 剩余電流是不是就是漏電流?還有接觸電流、保護導體電流的實質又是什么呢?有的是口語,有的是標準上的用語?
泄露電流一般可以理解為在外電源電壓的作用下,在正常工作狀態或單一故障狀態下產生的并流經電器絕緣部分到達金屬外殼(地)的電流。相對于電器的工作電流而言,這是一種漏網電流,逃逸電流、散失電流、無定形電流。顯然工作電流是電器正常運行所必須的,是沿著一定線路運行流動的電流,是有益電流,而泄露電流則并非電器正常運行所必須的,是伴隨家用電器工作電流的存在而客觀存在,并可能給人體帶來危害的一種電流。
根據IEC60990:1999《接觸電流和保護導體電流的測量方法》的定義,接觸電流是當人體或動物接觸一個或多個裝置或設備的可觸及零部件時,流過他們身體的電流。由此可看出“接觸電流”定義的關鍵在于“接觸”兩字,也就是僅在人體(動物)或人體模型形成電流通路時才存在接觸電流,不通過人體(動物)或人體模型形成的電流則不能稱為接觸電流。
國際電工委員會(IEC)根據“泄漏電流”測量方法的不同,定義了兩種電流:接觸電流和保護導體電流。正因為“泄露電流”已變成一種統稱,用于表達若干不同的概念,如接觸電流、保護導體電流、絕緣特性(絕緣漏電流)等等,所以在IEC60990:1999中“泄露電流”這一術語已不再使用。
因此從嚴格意義上來講,“泄露電流”與“接觸電流”不是簡單的等同關系,“接觸電流”術語是包含在“泄露電流”術語定義范圍內的。"接觸電流"是“泄露電流”,而“泄露電流”不一定是“接觸電流”
在標準GB 4943.1-2011《信息技術設備 第1部分:通用要求》中對接觸電流及保護導體電流的定義如下:
在標準GB/T 12113-2003《接觸電流和保護導體電流測量方法》中對接觸電流及保護導體電流的定義如下:
剩余電流是指供電系統中導線流出的電流,有一部分沒有經過導線返回,而流入大地,經大地返回到變壓器低壓側中性點,稱這個漏入大地的電流為剩余電流,就是我們通常所講的漏電電流,漏電電流的取樣元件均采用零序電流互感器。
在標準GB/T 6829-2017《剩余電流動作保護器(RCD)的一般要求》中對剩余電流又做了如下分類:
絕緣漏電流指在電器產品通電時,流過不同電位導體之間絕緣材料中的電流。這個也就是我們在檢測電器產品絕緣性能時提到的“漏電流”。
2 絕緣電阻的測量方法
絕緣電阻的測量方法有多種,包括直接法、比較法、自放電法。
直接法就是直接測量施加在絕緣電阻兩端的直流電壓U和流過絕緣電阻的電流I,根據R=U/I計算得出。根據測量儀器的類型分為歐姆表、檢流計、高阻計。
比較法是指與已知標準電阻比較,常用有電橋法和電流比較法。電橋法是在直流充電樁中常用的方法。
自放電法是讓通過絕緣電阻的泄露電流對標準電容充電,測出充電一定時間和標準電容兩端的電壓和電荷。自放電法和信號注入法類似。
電橋法實現原理
引用參考文獻3的介紹。原理圖如圖3所示,圖中CM+、CM-為正負母線。U+、U-為正、負母線電壓。Jk1、Jk2為繼電開關,R為精密電阻。R+、R-為正、負母線發生絕緣故障時的對地電阻。Dt1、Dt2為高精度霍爾電流傳感器,其輸出電壓與通過環孔的電流差成正比,并且成線性關系,所以,利用采樣電流傳感器輸出的電壓,經過換算成電流,再利用歐姆定律獲得正、負母線電壓U+、U-,則電源電壓U=U+-U-。
圖3 電橋法絕緣檢測原理
在直流系統正常工作情況下,電子繼電開關Jkl、Jk2保 持閉合。R+、R- 一般趨近無窮大,此時, U+≠-U-。當發生絕緣接地故障時,則R+或R-為有限值,此時 U+≠-U-,當R+≤ R-時,則有 U+≤U-,反之亦然。如果發生R+=R-都為有限值時,即正負母線絕緣電阻同等下降,此時 U+=-U-,則需要進一步進行檢測,檢測步驟如下:
1)斷開繼電開關Jk2,保持Jkl閉合,測得正、負母線電壓對地分別記為:U+1 ,U-1 ;
2)斷開繼電開關Jkl,保持Jk2閉合,測得正、負母線電壓對地分別記為:U+2,U-2;
從而可計算獲得R+、R-。
小信號注入法
RC 低頻信號注入法的絕緣檢測原理圖如圖 4 所示 ,R+ , R-分別是電動汽車的正極絕緣電阻與負極絕緣電阻 ,Battery 為電動汽車的直流電源 ,GND 為電動汽車系統底盤 。圖中虛線框外即為此電動汽車系統整體模型。如果在電路中加交流電源 ,電路中內阻很小的直流電流源可視為短路 ,內阻很大的電流源可視為開路 。通常來說 ,蓄電池的內阻為 m Ω 級別 ,當電壓上升后 ,電動汽車內蓄電池的內阻依然很小,依據此原則 ,當信號發生器 Gen 發出交流信號后 ,可以認為直流電壓源短路 ,即有如圖 5所示。
圖4 低頻信號法原理
圖5 低頻信號法簡化電路
由于直流電壓源可視為短路,正極絕緣電阻 R+與負極絕緣電阻 R- 形成一個總的并聯電阻(圖中為 R′)。在檢測過程中 ,信號發生器發出低頻方波信號后 ,可以把這個過程分為2個階段 ,第 1 階段發出 + 5V電壓時 ,電容C為充電過程 ,第2階段信號發生器送出0V信號 ,相當于信號發生器短路,電容 C 開始放電過程。在電容C充電時間內 ,檢測電阻R′與電阻R形成分壓,其中電阻R′上的對地電壓為V1,電阻R上的對地電壓為V2,且 V1+V2=5V,A點所采集到的電壓信號如圖3所示。
圖6 方波信號和A點采集信號
在圖 6 中 ,選取R=1MΩ,C=0.1μF進行實驗,上方信號為方波信號,下方信號為A點采集信號 ,在一個方波周期內 ,圖3可分為2個區域和2個時刻 ,第1時刻如1所示 ,稱作放電分壓時刻 ,第2部分區域為RC放電區,第3時刻如3所示 ,其為充電分壓時刻,第4部分區域為充電分壓區 。 A點對地的電壓信號被單片機的A/D采樣模塊采集,在檢測中選取的就是充電分壓區的跳變電壓u的大小 ,再將得到的數據通過運算可以得出絕緣電阻的大小。
如圖 4 所示 ,并聯絕緣電阻R′兩端的電壓為V1,標準電阻R兩端的電壓為V2。
V1/V2=R'/R
V1+V2=5V
在充電的過程中 ,跳變電壓u的值為V1,即
u=V1
因此:
R′/R=V1/(5-V1)
并聯電阻R′ 的值可以由下面的公式計算得出:
R′=V1*R/(5-V1)
3 直流充電樁和電動汽車之間的電氣連接
國標定義的充電槍有15根電纜,和電動汽車之間通過“9孔”連接,但是和安全相關、超過人體安全電壓的信號只有3個:DC+、DC-、PE。如GB/T 18487.1附錄B中的直流充電控制引導電路圖,車輛接口通過充電槍完成物理連接后,充電模塊的輸出經過K1/K2接觸器、K3/K4接觸器和動力電池連接,構成輸出高壓直流回路; 設備地和車身地連接,并連接到保護導體,并應連接到“大地”。 如前所述,變壓器T實現了AC和DC的絕緣,AC側交流高壓的保護通過基本絕緣、RCD和PE實現,DC側直流高壓的保護將通過在線絕緣檢測實現。在GB/T 27930定義的充電過程六個階段(物理連接完成、低壓輔助上電、充電握手階段、充電參數配置階段、充電階段和充電結束階段)中,在充電握手階段將由充電樁完成絕緣檢測,此時K5/K6沒有閉合,樁端絕緣檢測針對的只是充電模塊的輸出端子到K5/K6的外側接線端子這段電氣回路,檢測充電槍線的DC+和DC-兩根電纜對PE的絕緣電阻。
圖7 直流充電控制引導電路圖
4 充電樁標準中關于“絕緣檢測”的說明
在GB/T18487.1-2015、《電動汽車傳導充電系統第1部分:通用要求》的附錄B中,對絕緣檢測有如下相關幾段文本:
B. 3.3 非車載充電機自檢
在車輛接口完全連接后,閉合K3和K4,使低壓輔助供電回路導通;閉合K1和K2,進行絕緣檢測,絕緣檢測時的輸出電壓應為車輛通信握手報文內的最高允許充電總電壓和供電設備額定電壓中的較小值;絕緣檢測完成后,將IMD(絕緣檢測)以物理的方式從強電回路中分離,并投切泄放回路對充電輸出電壓進行泄放,非車載充電機完成自檢后斷開K1和K2。
B.4.1 在充電機端和車輛端均設置IMD電路,供電接口連接后到K5、K6合閘充電之前,由充電機負責充電機內部(含充電線纜)的絕緣檢查;充電機端的IMD回路通過開關從供電回路斷開,且K5、K6合閘之后的充電過程期間,由電動車負載整個系統的絕緣檢查。充電直流回路DC+、PE之間的絕緣電阻,與DC-、PE之間的絕緣電阻(兩者取最小值R),當R>500Ω/V視為安全;100Ω/V<R≤500Ω/V時,宜進行絕緣異常報警,但仍可正常充電;R≤100Ω/V視為絕緣故障,應停止充電。
B.4.2 充電機進行IMD檢測后,應及時對充電輸出電壓進行泄放,避免在充電階段對電池負載產生電壓沖擊。充電結束后,充電機應及時對充電輸出電壓進行泄放,避免對操作人員造成電擊傷害。泄放回路的參數選擇應保證在充電連接器斷開后1s內將供電接口電壓降到60VDC以下。
在該標準的圖B.2 直流充電連接控制時序圖和表B.2 直流充電控制時序表中,對絕緣檢測的相關時序和波形都有嚴格定義。
在NB/T 33001-2018《電動汽車非車載傳導式充電機技術條件》中,對絕緣檢測的相關描述:
6.3 絕緣檢測功能
充電機應具備對直流輸出回路進行絕緣檢測的功能,并且充電機的絕緣檢測功能應與車輛絕緣檢測
功能相配合。充電機的絕緣檢測功能應符合GB/T18487.1-2015中B.4.1和B.4.2的規定。充電機在進行絕緣檢測前應檢測直流輸出接觸器(K1、K2)的外側電壓,當此電壓超過±10V時應停止絕緣檢測流程并發出告警信息。
在GB/T 27930-2015 《電動汽車非車載傳導式充電機與電池管理系統之間的通信協議》中,圖A.6給出了時序流程圖:
5 “絕緣檢測”功能試驗及自測方法
在標準 NB/T 33008.1-2018 《電動汽車充電設備檢驗試驗規范 第1部分:非車載充電機》中,對絕緣檢測功能試驗
5.3.3絕緣檢測功能試驗
將充電機連接試驗系統,按照以下步驟進行試驗:
a)在絕緣檢測前,模擬K1和K2外側電壓絕對值大于10V,檢查充電機應停止絕緣檢測過程,并發出告警提示;
b)檢查充電機端應設置絕緣檢測電路,且在車輛接口連接后到車輛充電回路接觸器K5和K6閉合前,充電機應能閉合直流輸出回路接觸器K1和K2對其內部(含充電電纜)進行絕緣檢測,絕緣檢測電壓應符合GB/T18487.12015中B.3.3的規定;
按照GB/T34657.1-2017中6.3.4.5規定的方法進行模擬絕緣故障和絕緣異常,按照圖2所示,充電機絕緣檢測誤差不應超過士5%,選擇絕緣電阻測試點,測試電壓為充電機額定輸出電壓值,測試結果應符合GB/T18487.1一2015中B.4.1和B.4.2的規定。
在第三方檢測機構)進行型式試驗時,試驗方法為:
1.在啟動充電前在DC+、PE之間并聯上10K電阻,然后啟動充電,在絕緣檢測結束后,充電機應停止充電流程并上報絕緣故障;
2.在啟動充電前在DC-、PE之間并聯上10K電阻,然后啟動充電,在絕緣檢測結束后,充電機應停止充電流程并上報絕緣故障;
以上第三方試驗方法主要為檢查充電機是否具備絕緣故障檢測功能。
在產品自測時,會根據充電機絕緣檢測電壓和絕緣檢測的3種結果狀態進行模擬組合測試,以絕緣檢測電壓450Vdc和750Vdc為例,進行如下測試:
6 絕緣檢測的硬件實現
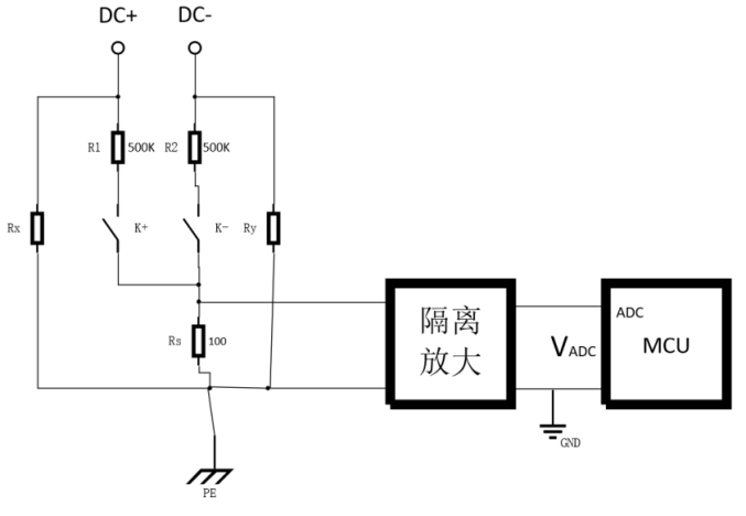
在實際產品中,我們采用的絕緣檢測電路原理圖如圖8所示。該電路包括了兩個繼電器的控制電路,電流采樣的放大電路。將這個電路簡化成原理圖框形式,如圖9。
圖略
圖8 NIO20000 G1 絕緣檢測電路原理圖
控制K+和K-的兩個繼電器的原邊和MCU的GND共地。對Rs的電壓采樣經TLP7820隔離并放大8.2倍后再經過差分放大器LM2904進行了1.5V偏置后送到MCU的ADC口。
圖9 G1絕緣檢測的原理框圖
DC+和PE之間的等效電阻Rx,DC-和 地之間的等效電阻Ry。在圖9等效電路中,DC+和DC-之間的電壓是已知的,是充電模塊的輸出電壓,是車輛通信握手報文內的最高允許充電總電壓和供電設備額定電壓中的較小值; Rs兩端的電壓由模數轉換器獲得 ,VADC=Vs*8.2+1.5V。; R1和R2是已知的。
K+閉合,Rs兩端電壓為Vs1,VAD1為K+閉合AD采樣電壓,充電模塊輸出電壓為Vout,可得關系式
Vs1 /Rs* (R1+Rs) + [Vs1 /Rs*(R1+Rs) / Rx + Vs1 /Rs ] * Ry= Vout (1)
K-閉合,Rs兩端電壓為Vs2,VAD2為AD采樣電壓,可得關系式:
Vs2 /Rs* (R2+Rs) + [Vs2 /Rs*(R2+Rs) / Ry + Vs2 /Rs ] * Rx= -Vout (2)
R1=R2 (3)
由(1)(2)(3) 可得:Vs1/Vs2-=-Rx/Ry (4)
把(4)代入(1)(2)可得:
Rx=-[8.2*Rs*Vout+(R1+Rs)*(VAD2-VAD1)]/(VAD2-1.5 ) (5)
Ry=[8.2*Rs*Vout+(R1+Rs)*(VAD2-VAD1)]/(VAD1-1.5) (6)
其中Rs=0.1,R1=500代入(5)(6)
Rx=-[0.82*Vout+500.1(VAD2-VAD1)]/(VAD2-1.5)
Ry=[0.82*Vout+500.1(VAD2-VAD1)]/(VAD1-1.5)
7 絕緣檢測的軟件實現
在18487.1的附錄B和27930中已規定了絕緣檢測的嚴格時序,但在具體的工程實現上有一些值得說明的細節。
(1) 對絕緣阻值結果影響較大的就是ADC采樣值。如果采樣電阻阻值與總阻值的比值越大,ADC采樣值的浮動則對最終的阻值影響越小;反之,如果采樣電阻阻值與總阻值的比值越小,ADC采樣值的浮動則對最終的阻值影響越大。在基于圖9的硬件電路基礎上,ADC的采樣值即使浮動±0.01也會讓阻值有很大的誤差。ADC的采樣濾波在軟件實現上有平均值濾波,中位值濾波和一階低通濾波等多種算法。一階低通濾波后的采樣值最穩定,能夠使絕緣阻值結果穩定,且與實際阻值誤差最小。
(2)為防止絕緣檢測過程,因某個條件不滿足導致充電流程停滯在絕緣檢測階段,需在絕緣檢測過程增加超時判斷(1分鐘以內),例如:絕緣檢測第一個過程需要檢測接觸器外側電壓小于10V才能繼續往下執行,若該條件不滿足,且無判斷超時,充電流程將一直停滯在該階段無法繼續執行后面的充電流程,最終將導致充電樁一直無反應。
8 絕緣檢測過程的實測波形
目前,直流充電機在絕緣檢測控制時有2種時序:
(1)在標準GB/T 18487.1-2015《電動汽車傳導充電系統 第1部分:通用要求》附錄B.5 充電連接控制時序中,對絕緣檢測的時序要求為,充電機先輸出絕緣檢測電壓,然后閉合K1/K2,進行絕緣檢測。
實測波形如下,充電機模塊先輸出絕緣檢測電壓(CH1),電壓到達要求的檢測值后,K1K2閉合(CH3),充電機通過繼電器投切分別對DC+/PE、DC-/PE進行絕緣檢測,檢測完成后,K1K2斷開,并對輸出電壓進行泄放。
CH1:K1K2前端電壓 CH2:K1K2后端電壓 CH3:輸出接觸器驅動電壓
(2) 在實際應用中,由于部分車輛直流充電口處帶有電容,當充電機模塊先輸出電壓然后再閉合K1/K2時會產生很大的沖擊電流,會造成直流接觸器K1K2主觸點粘連故障。為解決這個問題,在絕緣檢測時會將直流接觸器的閉合時間前移至模塊絕緣檢測電壓上升前,即先閉合K1/K2,再使能模塊輸出電壓進行絕緣檢測。
實測波形如下,K1/K2先閉合(CH4),充電機模塊輸出絕緣檢測電壓(CH1),電壓到達要求的檢測值后,充電機通過繼電器投切分別對DC+/PE、DC-/PE進行絕緣檢測,檢測完成后,K1/K2斷開,并對輸出電壓進行泄放。
CH1:K1K2前端電壓 CH2:K1K2后端電壓 CH4:輸出接觸器驅動電壓
參考文獻:
《電氣絕緣測試技術(第3版)》,機械工業出版社,2001.11(2017.7重印)
《電氣絕緣技術基礎》,機械工業出版社,2009.12(2010.10重印)
《直流系統絕緣監測技術研究與應用 》,電子設計工程,2012(10)



