充電握手階段
充電握手階段是充電流程中比較復雜的部分,也是售后問題比較集中的階段。在18487.1附錄B的表B.2中,時序上包括T4-T11,如圖1所示。( 這個表格中,T11是屬于充電握手階段還是充電參數配置階段?在充電握手階段充電樁和車輛之間要互發辨識報文,緊接著進入充電參數配置階段時首先要互發電池參數和充電機最大輸出能力等報文,然后再閉合K5、K6。T11和T12都沒提到要互發電池參數和充電機最大輸出能力等報文。)

圖1 充電控制時序表(T4-T12)
如圖2所示,在B.6的充電狀態流程中給出的簡圖更加清晰。

圖2 充電狀態流程圖(握手階段)
交互CHM、BHM報文
充電樁控制器每隔250ms向BMS發送一次充電握手報文CHM,CHM報文只是包含了通信協議版本號; BMS收到CHM報文后,向充電樁控制器每隔250ms發送一次BMS握手報文BHM,BHM報文只是包含了“最高允許充電總電壓”。27930-2015的標準中給出了詳細的流程框圖,如圖3所示。從時序上看,物理連接完成后,是充電樁控制器先發報文給BMS。如果是預約充電,該充電樁控制器如何獲得使能信號呢?如果是藍牙小程序或后臺預約,就是由樁計時。手機APP/小程序或后臺將設置預約的時刻和將要啟動充電的時刻發給充電樁控制器,控制器累積計時,到了預約啟動時刻,就向BMS發送CHM報文。這里面的計時精度取決于芯片的晶振;如果是車端預約,可能就直接由車端計時。樁和車輛之間的通信采用私有協議。在預約充電時刻,車端BMS給充電樁控制器發出約定的報文,控制器收到約定的報文后,向BMS發送CHM報文。
絕緣檢測
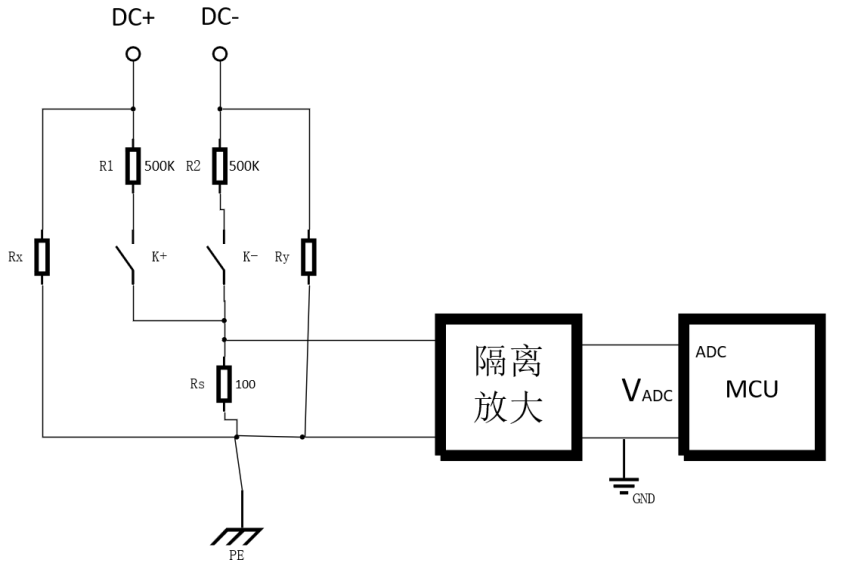
互發握手報文后,進入絕緣檢測階段。關于充電樁的絕緣檢測,我們曾有一篇專文詳解。本文再重新概述一下。充電樁系統的絕緣檢測,在進入充電流程時,是由充電樁完成的; 進入充電流程之后,是由車輛完成的。充電樁所做的絕緣檢測,由充電模塊發出的充電電壓作為電壓源,檢測DC+和DC-母線對PE的阻抗。在做絕緣檢測之前,K1、K2閉合,K5、K6斷開,因此,絕緣檢測的回路包括:1,充電樁內部,從充電模塊的輸出端子到槍線的PG頭的位置,經過了K1、K2。如圖4的黃色標識。2,充電樁外部,從PG頭到充電槍槍頭、插槍座的位置。如圖4的紅色標識。3,車輛內部,從插槍座到K5、K6的外側。如圖4的藍色標識。
關于充電樁內部和絕緣檢測相關的線路,如圖5黃色標識的是接觸器K1、K2外側到充電樁機殼的PG頭的一端。充電模塊的輸出端子到K1、K2的內側的沒有顯示出來,是很短的一小段電纜。
圖5 絕緣檢測涉及到的充電樁內部線路
關于充電樁和車輛之間的線路,如圖6紅色標識,從充電樁的PG頭沿著槍線到車輛充電口。
實際上,圖示的回路是一個“斷路”,并沒有構成回路。需要設計一個H橋電路,檢測出DC+、DC-和PE的阻抗,如圖7所示是H橋電路的實現原理。
1,軟件上,檢測K1、K2兩側的壓差,判斷確認K1、K2的狀態正常,閉合K1、K2。2,下發開機指令和電壓給定指令給充電模塊,充電模塊空載開機。充電模塊的輸出電壓是BHM報文中的“最高允許充電總電壓”和充電模塊最大輸出電壓的較小值。3,閉合圖5所示的H橋回路中的K+,通過AD口獲得當前回路檢測到的電壓值; 再斷開K+,閉合K-,獲得第二個AD值。通過如下公式計算出兩個DC+和DC-對PE得阻值。判斷絕緣檢測結果。Rx=-[0.82* Vout+500.1 (VAD2-VAD1) ] / (VAD2-1.5)Ry=[0.82* Vout+ 500.1 (VAD2-VAD1)] / (VAD1-1.5)特別注意,以上過程是不符合標準要求的。標準是要求充電模塊先輸出高壓,在閉合K1、K2,但是,這樣可能會有比較大的沖擊電流。假設充電槍的槍線電纜兩層皮都破損了,DC+的銅線裸露在外,是否能檢測出絕緣檢測故障呢?答案是,如果銅線沒有通過水或者帶水的泥土直接接觸符合大地特性的地面,是檢測不出來的。
交互CRM、BRM報文
充電樁控制器每隔 250ms 定期發送一次充電機辨識報文 CRM(Charger Recognize Message 的意思)給 BMS,用于確認充電機和 BMS 之間通信鏈路正確。在收到BMS辨識報文之前,確認碼=0x00; 在收到BMS辨識報文后,確認碼=0xAA。BMS 收到充電機的0x00確認碼后,每隔 250ms 向充電樁控制器定期發送 BMS辨識報文 BRM(BMS Recognize Message 的意思),直到5s內收到充電機0xAA確認碼為止。BRM報文內容是車輛辨識信息,包括協議版本,電池類型、容量、電池電壓、電池組序號、電池組生產日期、電池組充電次數、VIN 代碼、BMS版本號,等。充電握手辨識階段的詳細流程在27930 標準中有明確定義。